200mm central locking caster wheels

200mm central locking caster wheels,speical used as medical equipment casters,and hospital furniture caster wheels.Like hosptital bed. At current most of centralize locking casters are 100mm,125mm,and 150 diameter. Few factory manufacture 200mm central locking casters.
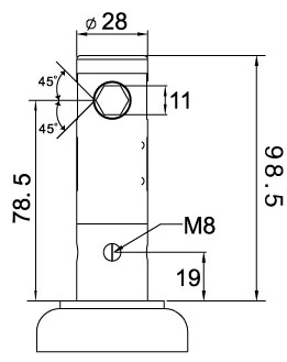
Our caster adopt high quality metal stamping wheel frame,with ABS cover.The central lock allow 45 degree two step lockable.
* Lock stem size: Ø28mm x 98.5mm
* Wheel size: Ø200mm x 35mm
* Swivel radius: 162mm
* Load Weight: 150kg
* Net Weight of Caster: 2 kg
* Used as medical bed casters,Operate bed casters
www.casterwheelsco.com ; sales@casterwheelsco.com