Central locking casters for super low hospital bed
We will need low height central locking casters as hospital bed casters when make the Low beds which provide safety and comfort for patients who have difficulty getting in and out of higher hospital beds, as well as offering protection for those who are at risk of rolling out of bed. A low bed allows patients to place their feet flat on the floor while they are sitting on the edge of the bed. Low beds are often used in nursing homes, hospitals and personal residences.
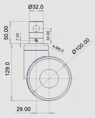
At the current market the most popular central locking casters size have Ø125mm,Ø150mm,Ø200mm. Which have high overall height that will cause the bed have higher height . So we have develop our Ø100mm central locking casters with 129mm overall height.
As usual a super low hospital bed need 8 casters,Then we can match 2 pc hospital bed casters with central locking, and other 6 pc swivel without brake type with bolt hole or solid stem type.

As we know bigger diameter wheels can be push more easy. And can load heavier weight. In order to give user a better usage experience. We developed our Ø125mm super low central locking casters. The casters with Ø125mm diameter wheel but only with 130mm overall height. This 5 inch super low central locking casters combined both low overall height and high load weight meanwhile ensure the wheel have better Passing Ability than Ø100mm central locking casters .

whatsapp: +0086-137 3645 4395 ; sales@casterwheelsco.com

English
Spanish
German
Russian
Arabic
Portuguese
Italian
French
Hebrew
Turkish